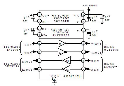
Product Summary
The ADM238LJN is a line driver/receiver which is intended for allEIA-232-E and V.28 communications interfaces, especially inapplications where±12 V is not available. The ADM238LJN features a low power shutdown mode that reduces power dissipation toless than 5μW, making them ideally suited for battery poweredequipment. Applications include Computers, Peripherals, Modems, Printers and Instruments.
Parametrics
ADM238LJN absolute maximum ratings: (1)VCC: –0.3 V to +6 V; (2)V+: (VCC – 0.3 V) to +14 V; (3)V–: +0.3 V to –14 V; (4)Input Voltages-TIN: 0.3 V to (VCC + 0.3 V); (5)Input Voltages-RIN: ± 30 V; (6)Output Voltages-TOUT: (V+, + 0.3 V) to (V–, – 0.3 V); (7)Output Voltages-ROUT: –0.3 V to (VCC + 0.3 V); (8)Short Circuit Duration-TOUT: continuous; (9)Operating Temperature Range-Commercial (J Version): 0 to +70℃; (10)Operating Temperature Range-Industrial (A Version): -40℃ to +85℃; (11)Storage Temperature Range:–65℃ to + 150℃; (12)Lead Temperature, Soldering: +300℃; (13)Lead Temperature-Vapour Phase (60 sec): +215℃; (14)Lead Temperature-Infrared (15 sec): +220℃; (15)ESD Rating: >2000 V.
Features
ADM238LJN features: (1)Single 5 V Power Supply; (2)Meets All EIA-232-E and V.28 Specifications; (3)120 kB/s Data Rate; (4)On-Board DC-DC Converters; (5)9 V Output Swing with +5 V Supply; (6)Small 1F Capacitors; (7)Low Power Shutdown≤1 A; (8)Receivers Active in Shutdown (ADM223); (9)ESD > 2 kV; (10)30 V Receiver Input Levels; (11)Latch-Up FREE.
Diagrams

| Image | Part No | Mfg | Description | ![]() |
Pricing (USD) |
Quantity | ||||||||||||||||||
|---|---|---|---|---|---|---|---|---|---|---|---|---|---|---|---|---|---|---|---|---|---|---|---|---|
![]() |
![]() ADM238LJNZ |
![]() |
![]() IC TX/RX QUAD RS-232 5VLP 24DIP |
![]() Data Sheet |
![]()
|
|
||||||||||||||||||
![]() |
![]() ADM238LJN |
![]() |
![]() IC TX/RX QUAD RS-232 5VLP 24DIP |
![]() Data Sheet |
![]()
|
|
||||||||||||||||||
(China (Mainland))









