Product Summary
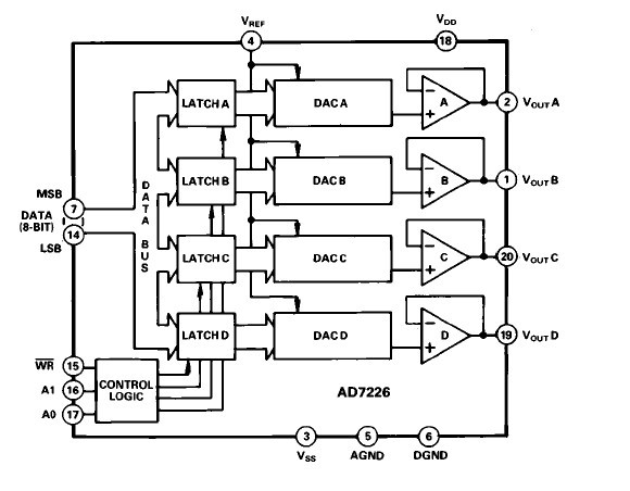
The AD7226KN is a D/A converter. It contains four 8-bit voltage-output digital-toanalog converters, with output buffer amplifiers and interface logic on a single monolithic chip. No external trims are required to achieve full specified performance for the part. The applications of the AD7226KN include: (1)Process Control; (2)Automatic Test Equipment; (3)Automatic Calibration of Large System Parameters, e.g., Gain/Offset.
Parametrics
AD7226KN absolute maxing ratings: (1)VDD to AGND: -0.3V, +17V; (2)VDD to DGND: -0.3V, +17V; (3)VSS to AGND: -7V, VDD; (4)VSS to DGND: -7V, VDD; (5)VDD to VSS: -0.3V, +24V; (6)AGND to DGND: -0.3V, VDD; (7)Digital Input Voltage to DGND: -0.3V, VDD + 0.3V; (8)VREF to AGND: -0.3V, VDD; (9)VOUT to AGND1: VSS, VDD; (10)Power Dissipation (Any Package) to +75℃: 500 mW; (11)Derates above 75℃ by: 2.0 mW/℃.
Features
AD7226KN features: (1)Four 8-Bit DACs with Output Amplifiers; (2)Skinny 20-Pin DIP, SOIC and 20-Terminal Surface Mount Packages; (3)Microprocessor Compatible; (4)TTL/CMOS Compatible; (5)No User Trims; (6)Extended Temperature Range Operation; (7)Single Supply Operation Possible.
Diagrams

| Image | Part No | Mfg | Description | ![]() |
Pricing (USD) |
Quantity | ||||||||||||||||
|---|---|---|---|---|---|---|---|---|---|---|---|---|---|---|---|---|---|---|---|---|---|---|
![]() |
![]() AD7226KN |
![]() |
![]() IC DAC 8BIT LC2MOS QUAD 20-DIP |
![]() Data Sheet |
![]()
|
|
||||||||||||||||
![]() |
![]() AD7226KNZ |
![]() |
![]() IC DAC 8BIT LC2MOS QUAD 20-DIP |
![]() Data Sheet |
![]()
|
|
||||||||||||||||
(China (Mainland))









