Product Summary
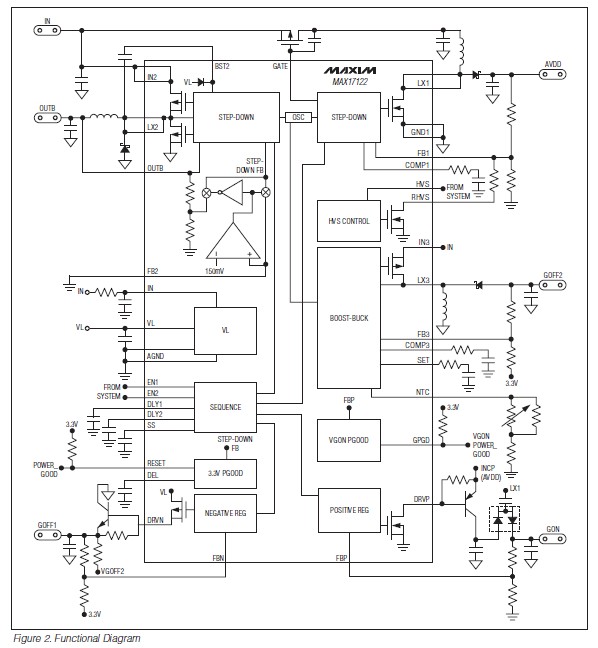
The MAX17122ETL+ is a kind of multiple-output power-supply IC, which generates all the supply rails for thin-film transistor (TFT) liquidcrystal display (LCD) TV panels. The MAX17122ETL+ can operate from 8V to 16.5V input voltages and is optimized for LCD TV panel applications running directly from 12V regulated supplies. The MAX17122ETL+ includes a 22V internal-switch step-down regulator for digital logic, a 22V internal switch stepup regulator to power the TFT source drivers, and a temperature-compensated 36V internal-switch boostbuck regulator that produces a negative output that can vary according to the temperature sensed by an external NTC thermistor. In addition, the MAX17122ETL+ is widely used in LCD TV panels.
Parametrics
MAX17122ETL+ absolute maximum ratings: (1)IN, IN2, IN3, EN1, EN2, LX1, GATE,DRVP, RHVS to AGND: -0.3V to +22V; (2)GATE to IN: -6.5V to +0.3V; (3)GND1 to AGND: ±0.3V; (4)DLY1, DLY2, DEL, VL, RESET, GPGD, HVS to AGND: -0.3V to +6V; (5)FBP, FBN, FB1, FB2, FB3, COMP1, COMP3, OUTB SET, NTC, SS to AGND: -0.3V to (VVL + 0.3V); (6)DRVN to VL: -36V to +0.3V; (7)LX2 to GND1: -0.3V to (VIN2 + 0.3V); (8)LX3 to IN3: -36V to +0.3V; (9)BST2 to VL: -0.3V to +22V; (10)BST2 to LX2: -0.3V to +6V; (11)RMS LX1, GND1, IN2, IN3, LX3 Current (each pin): 1.6A; (12)RMS LX2 (total for both pins): 2.4A; (13)RMS VL, DRVN, DRVP Current: 50mA; (14)Continuous Power Dissipation (TA = +70℃): 2857.1mW ; (15)Operating Temperature Range: -40℃ to +85℃; (16)Junction Temperature: +160℃; (17)Storage Temperature Range: -65℃ to +165℃; (18)Lead Temperature (soldering, 10s): +300℃; (19)Soldering Temperature (reflow).+260℃.
Features
MAX17122ETL+ features: (1)8V to 16.5V Operating Range; (2)750kHz Switching Frequency; (3)22V Internal-Switch High-Performance Step-Up Regulator; (4)22V Internal-Switch Step-Down Regulator; (5)36V Internal-Switch Boost-Buck Regulator; (6)Positive Charge-Pump Linear Regulator Controller; (7)Negative Linear Regulator Controller; (8)Soft-Start for All Outputs; (9)Adjustable Power-Up Sequence; (10)Timed-Output Fault Protection with Restart for All Outputs; (11)Latched Thermal-Shutdown Protection; (12)40-Pin, 6mm x 6mm Thin QFN Package.
Diagrams

| Image | Part No | Mfg | Description | ![]() |
Pricing (USD) |
Quantity | ||||||||||||
|---|---|---|---|---|---|---|---|---|---|---|---|---|---|---|---|---|---|---|
![]() |
![]() MAX17122ETL+ |
![]() Maxim Integrated Products |
![]() LCD Drivers Multiple-Output Power-Supply |
![]() Data Sheet |
![]()
|
|
||||||||||||
![]() |
![]() MAX17122ETL+T |
![]() Maxim Integrated Products |
![]() LCD Drivers Multiple-Output Power-Supply |
![]() Data Sheet |
![]()
|
|
||||||||||||
(China (Mainland))









