Product Summary
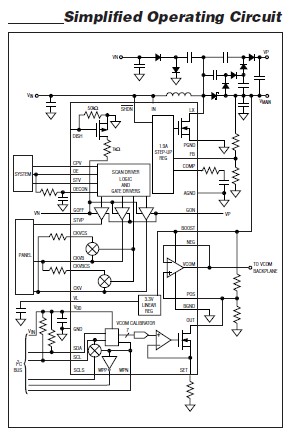
The MAX8798ETX+ is a kind of internal-switch boost regulator with integrated 3-channel scan driver for TFT LCDs. The MAX8798ETX+ includes a high-performance, step-up regulator; a high-speed operational amplifier; a digitally adjustable VCOM calibration device with nonvolatile memory; an I2C interface; and a high-voltage, level-shifting scan driver. The MAX8798ETX+ is optimized for thin-film transistor (TFT) liquid-crystal display (LCD) applications, such as notebook computer displays and LCD monitor panels.
Parametrics
MAX8798ETX+ absolute maximum ratings: MAX7432EUD absolute maximum ratings: (1)IN, VL, SHDN to AGND: -0.3V to +7.5V; (2)VDD, SDA, SCL, SCLS, WPN, WPP, SET to GND: -0.3V to +4.0V; (3)OECON, CPV, OE, STV to AGND: -0.3V to +4.0V; (4)COMP, FB to AGND: -0.3V to (VL + 0.3V); (5)DISH to GND: -6V to +2.0V; (6)LX to PGND: -0.3V to +20V; (7)OUT, VCOM, NEG, POS to BGND: -0.3V to (BOOST + 0.3V); (8)PGND, BGND, AGND to GND: -0.3V to +0.3V; (9)GON to AGND: -0.3V to +50V; (10)GOFF to AGND: -30V to (VIN + 0.3V); (11)GON to GOFF: +70V; (12)BOOST to BGND: -0.3V to +20V; (13)CKV, CKVB, STVP, CKVCS, CKVBCS to AGND: (GOFF - 0.3V) to (GON + 0.3V); (14)LX, PGND RMS Current Rating: 2.4A; (15)Continuous Power Dissipation (TA = +70℃) NiPd Lead Frame with Nonconductive Epoxy 36-Pin, 6mm x 6mm Thin QFN; (16)(derate 27.2mW/℃ above +70℃) : 2179.8mW; (17)Operating Temperature Range: -40℃ to +85℃; (18)Junction Temperature: +150℃; (19)Storage Temperature Range: -65℃ to +150℃; (20)Lead Temperature (soldering, 10s): +300℃.
Features
MAX8798ETX+ features: (1)1.8V to 5.5V IN Supply Voltage Range; (2)1.8V to 4.0V VDD Input Voltage Range; (3)1.2MHz Current-Mode Step-Up Regulator: Fast Transient Response; Built-In 20V, 1.9A, 150mΩ MOSFET; (4)High-Speed (20MHz) Operational Amplifier: ±150mA Output Current; (5)High-Voltage Drivers with Scan Logic: +45V to -25V Outputs; 65V (maximum) Swing; Output Charge Sharing; (6)Programmable VCOM Calibrator: 7-Bit Adjustable Current-Sink Output; I2C Interface; EEPROM Setting Memory; (7)Thermal-Overload Protection.
Diagrams

| Image | Part No | Mfg | Description | ![]() |
Pricing (USD) |
Quantity | ||||
|---|---|---|---|---|---|---|---|---|---|---|
![]() |
![]() MAX8798ETX+ |
![]() Maxim Integrated Products |
![]() Display Drivers & Controllers Internal-Switch Boost Regulator |
![]() Data Sheet |
![]() Negotiable |
|
||||
![]() |
![]() MAX8798ETX+T |
![]() Maxim Integrated Products |
![]() Display Drivers & Controllers Internal-Switch Boost Regulator |
![]() Data Sheet |
![]() Negotiable |
|
||||
(China (Mainland))









