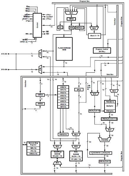
Product Summary
The TMS320LF2406APZA is a digital signal processor (DSP) controller. It offers the enhanced TMS320 DSP architectural design of the C2xx core CPU for low-cost, low-power, and high-performance processing capabilities. The device also offers an array of memory sizes and different peripherals tailored to meet the specific price/performance points required by various applications. The TMS320LF2406APZA provides a password-based “code security” feature which is useful in preventing unauthorized duplication of proprietary code stored in on-chip Flash/ROM.
Parametrics
Absolute maximum ratings: (1)Supply voltage range, VDD, PLLVCCA, VDDO, and VCCA: - 0.3 V to 4.6 V; (2)VCCP range: - 0.3 V to 5.5 V; (3)Input voltage range, VIN: - 0.3 V to 4.6 V; (4)Output voltage range, VO LF240xA: - 0.3 V to 4.6 V; (5)Output voltage range,VO LC240xA: - 0.3 V to 4.6 V; (6)Input clamp current, IIK (VIN < 0 or VIN > VCC): ± 20 mA; (7)Output clamp current, IOK (VO < 0 or VO > VCC): ± 20 mA; (8)Operating free-air temperature ranges, TA: A version: - 40℃ to 85℃; S version: - 40℃ to 125℃; (9)Junction temperature range, TJ: - 40℃ to 150℃; (10)Storage temperature range, Tstg: - 65℃ to 150℃.
Features
Features: (1)High-Performance Static CMOS Technology: 25-ns Instruction Cycle Time (40 MHz); 40-MIPS Performance; Low-Power 3.3-V Design; (2)Based on TMS320C2xx DSP CPU Core: Code-Compatible With F243/F241/C242; Instruction Set and Module Compatible With F240/C240; (3)Controller Area Network (CAN) 2.0B Module; (4)Serial Communications Interface (SCI); (5)16-Bit Serial Peripheral Interface (SPI); (6)Phase-Locked-Loop (PLL)-Based Clock Generation; (7)Up to 40 Individually Programmable, Multiplexed General-Purpose Input/Output; (8)(GPIO) Pins; (9)Up to Five External Interrupts (Power Drive Protection, Reset, Two Maskable Interrupts); (10)Power Management: Three Power-Down Modes; Ability to Power Down Each Peripheral; (11)Independently; (12)Real-Time JTAG-Compliant Scan-Based Emulation, IEEE Standard 1149.1 (JTAG).
Diagrams

| Image | Part No | Mfg | Description | ![]() |
Pricing (USD) |
Quantity | ||||||||||||
|---|---|---|---|---|---|---|---|---|---|---|---|---|---|---|---|---|---|---|
![]() |
![]() TMS320LF2406APZA |
![]() Texas Instruments |
![]() Digital Signal Processors & Controllers (DSP, DSC) 16-Bit Fixed-Pt DSP with Flash |
![]() Data Sheet |
![]()
|
|
||||||||||||
![]() |
![]() TMS320LF2406APZAR |
![]() Texas Instruments |
![]() Digital Signal Processors & Controllers (DSP, DSC) 16-Bit Fixed-Pt DSP |
![]() Data Sheet |
![]()
|
|
||||||||||||
(China (Mainland))









