Product Summary
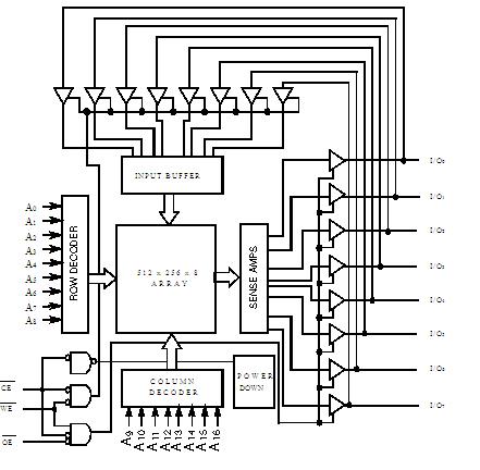
The CY7C1019B-15VC is a high-performance CMOS static RAM organized as 131,072 words by 8 bits. Easy memory expansion is provided by an active LOW Chip Enable (CE), anactive LOW Output Enable (OE), and three-state drivers. The CY7C1019B-15VC has an automatic power-down feature that significantly reduces power consumption when deselected.
Parametrics
CY7C1019B-15VC absolute maximum ratings: (1)Storage Temperature:–65℃ to +150℃; (2)Ambient Temperature with Power Applied: –55℃ to +125℃; (3)Supply Voltage on VCC to Relative GND: –0.5V to +7.0V; (4)DC Voltage Applied to Outputsin High Z State: -0.5V to VCC + 0.5V; (5)DC Input Voltage:–0.5V to VCC + 0.5V; (6)Current into Outputs (LOW): 20 mA; (7)Static Discharge Voltage: >2001V; (8)Latch-Up Current: >200 mA.
Features
CY7C1019B-15VC features: (1)High speed; (2)CMOS for optimum speed/power; (3)Center power/ground pinout; (4)Automatic power-down when deselected; (5)Easy memory expansion with CE and OE options; (6)Functionally equivalent to CY7C1019.
Diagrams

![]()  | 
                            ![]() CY7C006  | 
                            ![]() Other  | 
                            ![]()  | 
                            ![]() Data Sheet  | 
                            ![]() Negotiable  | 
                            
                            	 | 
                      ||||||||||||
![]()  | 
                            ![]() CY7C006A  | 
                            ![]() Other  | 
                            ![]()  | 
                            ![]() Data Sheet  | 
                            ![]() Negotiable  | 
                            
                            	 | 
                      ||||||||||||
![]()  | 
                            ![]() CY7C006A-15AXC  | 
                            ![]() Cypress Semiconductor  | 
                            ![]() SRAM 5V 16Kx8 COM Dual Port SRAM  | 
                            ![]() Data Sheet  | 
                            ![]() Negotiable  | 
                            
                            	 | 
                      ||||||||||||
![]()  | 
                            ![]() CY7C006A-15AXCT  | 
                            ![]() Cypress Semiconductor  | 
                            ![]() SRAM 5V 16Kx8 COM Dual Port SRAM  | 
                            ![]() Data Sheet  | 
                            ![]() Negotiable  | 
                            
                            	 | 
                      ||||||||||||
![]()  | 
                            ![]() CY7C006A-20AC  | 
                            ![]()  | 
                            ![]() IC SRAM 16KX8 DUAL 64LQFP  | 
                            ![]() Data Sheet  | 
                            ![]() Negotiable  | 
                            
                            	 | 
                      ||||||||||||
![]()  | 
                            ![]() CY7C006A-20AXC  | 
                            ![]() Cypress Semiconductor  | 
                            ![]() SRAM 5V 16Kx8 COM Dual Port SRAM  | 
                            ![]() Data Sheet  | 
                            ![]() 
  | 
                            
                            	 | 
                      ||||||||||||
 (China (Mainland)) 
                         
                        
                                    








