Product Summary
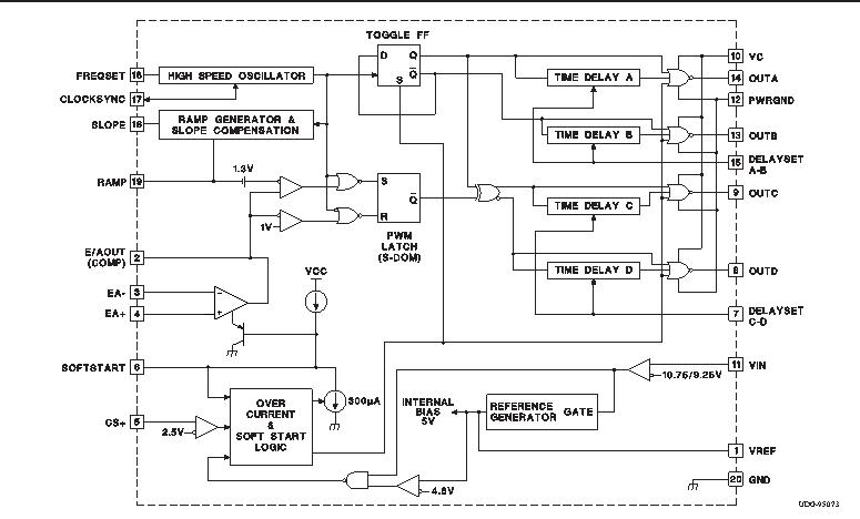
The UC2875DWP is a Phase Shift Resonant Controller. It is an integrated circuit implement controlling of a bridge power stage by phase-shifting the switching of one half-bridge with respect to the other, allowing constant frequency pulse-width modulation in combination with resonant, zero-voltage switching for high efficiency performance at high frequencies. The UC2875DWP may be configured to providecontrol in either voltage or current mode operation, with a separateover-current shutdown for fast fault protection.
Parametrics
UC2875DWP absolute maximum ratings: (1)Supply Voltage (VC, VIN): 20V; (2)Output Current, Source or Sink-DC: 0.5A; (3)Output Current, Source or Sink-Pulse (0.5μs): 3A; (4)Analog I/0s(Pins 1, 2, 3, 4, 5, 6, 7, 15, 16, 17, 18, 19): -0.3 to 5.3V; (5)Storage Temperature Range:–65 to +150℃; (6)Junction Temperature:–55 to +150℃; (7)Lead Temperature (Soldering, 10 sec.): +300℃.
Features
UC2875DWP features: (1)Zero to 100% Duty Cycle Control; (2)Programmable Output Turn-On Delay; (3)Compatible with Voltage or CurrentMode Topologies; (4)Practical Operation at Switching Frequencies to 1MHz; (5)Four 2A Totem Pole Outputs; (6)10MHz Error Amplifier; (7)Undervoltage Lockout; (8)Low Startup Current–150μA; (9)Outputs Active Low During UVLO; (10)Soft-Start Control; (11)Latched Over-Current Comparator With Full Cycle Restart; (12)Trimmed Reference.
Diagrams

| Image | Part No | Mfg | Description | ![]() |
Pricing (USD) |
Quantity | ||||||||||||
|---|---|---|---|---|---|---|---|---|---|---|---|---|---|---|---|---|---|---|
![]() |
![]() UC2875DWP |
![]() Texas Instruments |
![]() Soft Switching PWM Controllers Phase Shift Resonant Controller |
![]() Data Sheet |
![]()
|
|
||||||||||||
![]() |
![]() UC2875DWPG4 |
![]() Texas Instruments |
![]() Soft Switching PWM Controllers Phase Shift Resonant Controller |
![]() Data Sheet |
![]()
|
|
||||||||||||
![]() |
![]() UC2875DWPTRG4 |
![]() Texas Instruments |
![]() Soft Switching PWM Controllers Phase Shift Resonant Controller |
![]() Data Sheet |
![]()
|
|
||||||||||||
![]() |
![]() UC2875DWPTR |
![]() Texas Instruments |
![]() Soft Switching PWM Controllers Phase Shift Resonant Controller |
![]() Data Sheet |
![]()
|
|
||||||||||||
(China (Mainland))









