Product Summary
The EP20K100EFC144-2N is a Programmable Logic Device .
Parametrics
EP20K100EFC144-2N absolute maximum ratings: (1)DC input voltage: -2 to 5.75V; (2)DC output current, per pin: -25 to 25mA; (3)Storage temperature: -65 to 150℃; (4)Ambient temperature: -65 to 135℃.
Features
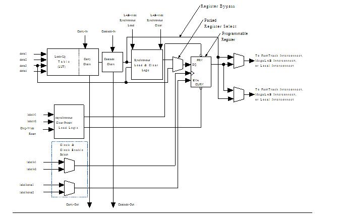
EP20K100EFC144-2N features: (1)MultiCoreTM architecture integrating look-up table (LUT) logic,product-term logic, and embedded memory; (2)LUT logic used for register-intensive functions; (3)Embedded system block (ESB) used to implement memory functions, including first-in first-out (FIFO) buffers, dual-port RAM, and content-addressable memory (CAM); (4)ESB implementation of product-term logic used for combinatorial-intensive functions; (5)High density.
Diagrams

![]() |
![]() EP2001-9R |
![]() |
![]() EURO-CASSETTE 120W 2X 5.1V |
![]() Data Sheet |
![]()
|
|
||||||||||||
![]() |
![]() EP201 |
![]() Other |
![]() |
![]() Data Sheet |
![]() Negotiable |
|
||||||||||||
![]() |
![]() EP2012 |
![]() Hammond Manufacturing |
![]() Electrical Enclosure Accessories E PANEL FITS 20X1224 |
![]() Data Sheet |
![]() Negotiable |
|
||||||||||||
![]() |
![]() EP2016 |
![]() Hammond Manufacturing |
![]() Electrical Enclosure Accessories E-PANEL FITS 20 X 16 |
![]() Data Sheet |
![]()
|
|
||||||||||||
![]() |
![]() EP2020 |
![]() Hammond Manufacturing |
![]() Electrical Enclosure Accessories E-PANEL FITS 20 X 20 |
![]() Data Sheet |
![]()
|
|
||||||||||||
![]() |
![]() EP2024 |
![]() Hammond Manufacturing |
![]() Electrical Enclosure Accessories E-PANEL FITS 20 X 24 |
![]() Data Sheet |
![]()
|
|
||||||||||||
(China (Mainland))









